FURNACE FEEDING SYSTEM. PROCESSES AUTOMATION BASED ON ELECTRIC DRIVES

Furnace feeding automation solutions optimize control over industrial operations, help to monitor the state of equipment and take the industry to the next level.

 Furnace feeding automation solutions optimize control over industrial operations, help to monitor the state of equipment and take the industry to the next level.    

  • The new electric engineering solution for the furnace feeding system involves replacing the outdated power equipment with modern Siemens appliances;
  • Dual-motor skip hoist is equipped with direct current drives controlled by Siemens-made TCFs;
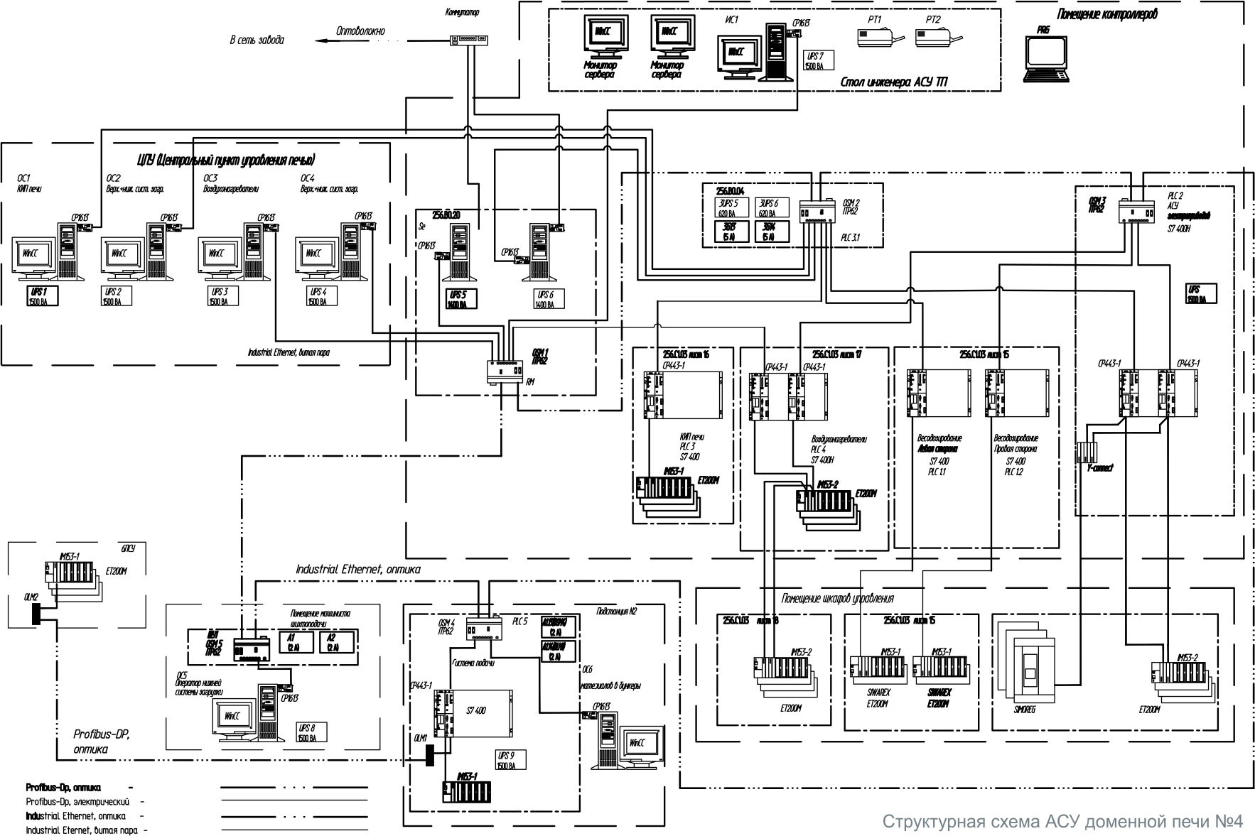
  • Relays, contactors, and motor-driven sequencers are replaced by Simatic programmable controllers;
  • Encoders are installed to control the position of the machines.

Apart from the skip hoist, the automation system controls the following elements of the furnace feeding system: bell control winch, revolving distributor, equalizing valves, stockrod winches, bell hoppers, low-mesh coke screen, low-mesh coke hoist, breeze-sizing screen, agglomerate weigh hopper, agglomerate conveyor belt, agglomerate screen, small-sized agglomerate conveyor belt, skip bucket, additive weigh hopper, additive feeder.

The automation system coordinates the electric drives in the feeding system and has the following benefits:

  • reliable and efficient operation of the blast furnace and its components;
  • providing up-to-date information about the state of the facility, which allows the operating personnel to make adjustments when necessary.

 

Control over the mechanisms of the system.

Centralized control over the state of the industrial equipment.

Sending messages about the furnace feeding process making sure that it runs according to the pre-defined program and technological requirements.

Preparing reports on the technical efficiency of the system.

Human-machine system processes the data about the state of the facility and makes informed decisions about controlling the machines.

The introduction of industrial automation for furnace feeding operations has solved the following local control tasks:

  •  automatic control over the furnace feeding system;
  •  inputting feeding parameters from two control desks;
  • setting the operational modes of the equipment;
  • remote control over the furnace feeding system (backup);
  • local control over the mechanisms of the furnace feeding system (setup);
  • better selection of furnace feeding materials;
  • longer life of the equipment.
FURNACE FEEDING SYSTEM

 

FURNACE FEEDING SYSTEM

 

Implementation experience:

Object
Name of workWork
Year
Ilyich Iron and Steel Works PJSC, Mariupol, Ukraine
Blast furnace №2. Loading and charge feeding systems. ACS TP and electric drives automatic control system. Projecting and application software design, electric equipment manufacturing and materials supply, supervision assembling and commissioning
Ilyich Iron and Steel Works PJSC, Mariupol, Ukraine
Blast furnace №3. Loading and charge feeding systems. ACS TP and electric drives automatic control system. Projecting and application software design, electric equipment manufacturing and materials supply, assembling and commissioning
Ilyich Iron and Steel Works PJSC, Mariupol, Ukraine
Blast furnace №4. Loading and charge feeding systems. ACS TP and electric drives automatic control system. Projecting and application software design, electric equipment manufacturing and supply, assembling, supervision assembling and commissioning
* Обязательное поле